Páginas
- SOFTWARES PROGRAMAÇÃO RÁDIOS
- INTERFACES PROGRAMAÇÃO RÁDIOS
- MODS PICO POSITIVO PX
- MANUAIS SERV. PX E VHF
- DIAGRAMAS DE FONTES DE ALIMENTAÇÃO
- APOSTILAS E ARTIGOS SOBRE ELETRÔNICA
- SOFTWARES ELETRÔNICA
- LAB.
- DATASHEET COMPONENTES
- PROJETOS ELETRÔNICA
- NOSSOS VÍDEOS NO YOUTUBE
- MIKE DE GANHO PX
- ANTENAS PX
- PROJETOS - RADIOAMADORISMO
- AMPLIFICADORES LINEARES VALVULADOS
- FONTES COM SAÍDA FET
- FILTROS PARA RF
- AMPLIFICADORES LINEARES TRANSISTORIZADOS
- MANUAIS DE SERVIÇO RÁDIOS
- ACESSO AO FISTEL
- MICROFONES PTT
- WATTIMETROS E MEDIDORES DE ROE
- MEDIDORES DE MODULAÇÃO
- DIAGRAMAS WATTIMETROS COMERCIAIS
- AMP. ÁUDIO
- TEORIA SENSOR SWR TANDEM
- CONECTORES MIC. PX E BANDA CORRIDA
- ETAPAS REGULADORAS FONTES
- ACERVO DE PROJETOS
- FONTES COM O LM723
- CALCULADORAS RF ON LINE
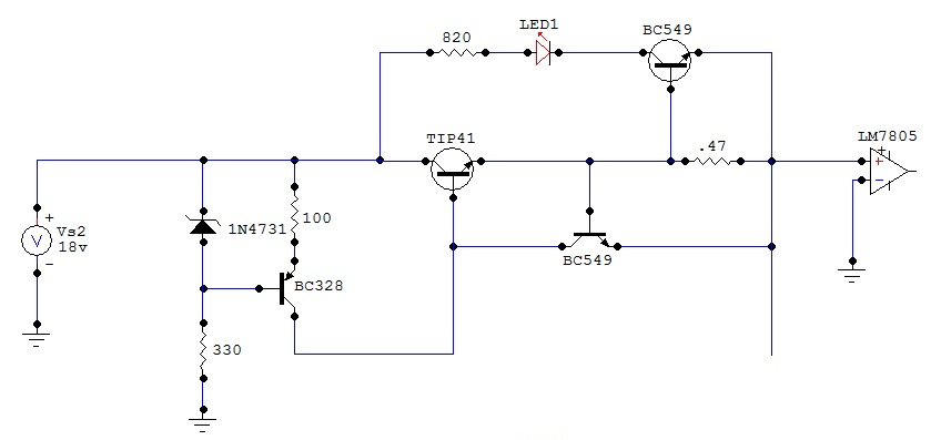
DIAGRAMAS DE FONTES DE ALIMENTAÇÃO
Olá bem vindo, aqui você conhecerá um pouco mais sobre nosso dia a dia, regularmente serão postados artigos, fotos, reportagens, sobre rádio comunicação, independente da faixa (HF, VHF, UHF), o intuito é compartilhar informações, desenvolver soluções e criar contatos profissionais.
Alguns podem questionar, sobre o motivo de ter um rádio PX no carro ou em casa, há quem diga que usa para comunicar-se com amigos, monitorar condições do transito e afins. Realmente tudo isso é válido, pois hoje em dia comunicação se tornou algo fundamental nos dias atuais.
Existe uma classe de usuários deste meio de comunicação que utiliza o rádio para se comunicar por longas distâncias muitas das vezes até mesmo fora do país, pra isso, utilizam rádios em conjunto com amplificadores lineares.
Assinar:
Comentários (Atom)











































































































cara vc e d+ muitas informações privilegiadas eu adquiri com estas postagem eu como muitos outros técnicos.devemos agradece-lo por vc ter uma mente assim aberta para que seus colegas de profissão tenham acesso por informações tão importantes,ficamos em nome de todos mui gratos.Atenciosamente FILHOTTÃO
ResponderExcluirBoa tarde Lionel..Meu nome é Silvaldo Moreira ,estou com um problema , sm50 vhf esta com o ptt direto ligou aciona o ptt...já perdi outro radio assim, não tenho o esquema eletrico... não dou conta desse radio me ajuda aí...Obrigado!
ResponderExcluirSMR-SISTEMAS...
Bom dia amigo, você precisa do manual de serviço? Provavelmente o transistor que comuta o tx está com fuga, siga a linha do sinal de TX proveniente do microfone ate o processador, nesta linha há alguns transistores que fazem essa comutação. Me avise se você precisa do manual de serviço, eu procuro aqui, se eu tiver, compartilhamos aqui.
ExcluirBOA NOITE GOSTARIA DE RECEBER O CUSTO E FORMA DE PAGAMENTO DAS FONTES CHAVEADAS 13.8 30 AMP.
ResponderExcluirBom dia amigo, desde já agradeço pelo contato!
ExcluirNos eenvi um e-mail para licotelecomassis@gmail.com
Lhe enviaremos um orçamento.
Procure por LICOTELECOM ASSIS no YouTube, temos vários vídeos de fontes em nosso canal, acompanhe nossos projetos. Se inscreva!
Forte abraço amigo!
Leonel boa tarde, por favor você tem o softer da motorola para aumentar os canais do em 200? se puder me arrumar, agradeço.
ResponderExcluirAbraços.
Fernando Viola
fernando.viola@yahoo.com.br
Boa tarde Lionel será que vc tem nos seus arquivos o esquema da fonte keletron 20 amp CE 20CV já procurei na Internet mais não encontrei até o momento.
ResponderExcluirBoa tarde amigo, os modelos de 15 e 20 amperes possuem o mesmo projeto eletrônico, o que difere é o transformador. veja o diagrama da Keletron de 15 amperes logo no começo desta página
ExcluirEssa fonte keletron é confiável mesmo contra curto circuitos? Gostei da simplicidade dela. sds
ResponderExcluirbom dia amigos gostaria de uma ajuda dos amigos eu estou com uma fonte com defeito da marca telecom modelo cv01 estou precisando do esquema elétrico da mesma alguém esse esquema ou se alguém poderia me ajudar no reparo da fonte
ResponderExcluirboa tarde amigos estou precisado de uma ajuda em uma fonte telecom modelo cv01 estou precisando do esquema elétrico da mesma alguém poderia me ajudar no reparo dessa fonte
ResponderExcluirBoa noite Leonel,meu nome é Claudio,estou com uma fonte de um amigo,é uma voyager vr30A-iw,e ela foi mexida,gostaria de saber se você tem o esquema ou fotos da placa desta fonte,como ela foi mexida não sei se os transistores são originais,meu email é py5wn2@gmail.com,obrigado!
ResponderExcluirbmo dia amigo, enviei no seu email o diagrama de ajustes e também o diagrama elétrico. Forte 73"
Excluirneste link: http://licotelecom.blogspot.com/2020/11/esquema-eletrico-fonte-voyager-vr30.html
boa noite alguem teria o esquema da fonte de 13,8 20 amp- produzida pelo py2tnk..ele foi embora do brasil e nao conseguimos mais arrumar as fontes produzidas por por ele.
ResponderExcluirBoa noite amigo, você teria fotos da placa da fonte? Parte de cima e parte de baixo?
Excluirboa noite amigo tenho sim
Excluirboa noite alguem teria o esquema da fonte de 13,8 20 amp- produzida pelo py2tnk..ele foi embora do brasil e nao conseguimos mais arrumar as fontes produzidas por por ele.
ResponderExcluireu tenho a foto da parte de cima e parte de baixa da placa.
Excluirboa tarde amigo, compartilhe as fotos conosco para que possamos verificar
ExcluirVoceês tem esquemas das fontes INTRACO, por exemplo a CV-05?
ResponderExcluirboa tarde amigo, a 4° foto desta pagina é o diagrama da fonte Intraco CV15, serve para as Intraco 05 ate as 30 amperes. a CV05 é a mesma da CV15 porem não possui flutuador
ExcluirBoa tarde gostaria de saber se vc tem um esquema de proteção de sobrecarga para eu colocar na saída da minha fonte cellwave ps36 mkll quero pretger meu vhf contra um eventual aumento de tensão e corrente na saída dela ,se vc tiver o esquema dela e puder me enviar agradeço nicolau6180@hotmail.com
ResponderExcluirgood evening, just today here I feel like I found the gem that I was looking for for power supply schemes that everyone definitely needs, thank you
ResponderExcluirLeonel, bom dia. Por acaso vc tem pra vender uma plaquinha daquela que vc monta pra colocar em fonte e proteger de sobre tensao os equipamentos. (13,8 x 20A +/-) ?
ResponderExcluirAtenciosamente
Edison 18997038383.
Opa , lindo trabalho! Sabe onde eu acho o dograma da maxtron PS-750a, 50A? Abraço
ResponderExcluir