Circuito
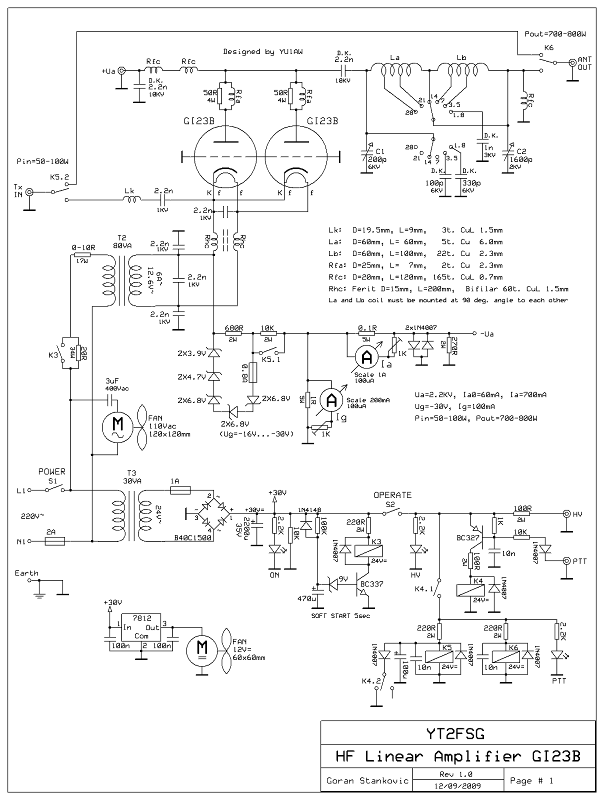
O circuito do meu amplificador é mostrado na Figura 1. Vamos começar com o circuito de entrada, embora você possa fazer quase o mesmo sem ele. Eu medi o SWR 1: 1.3 com apenas C7 entre o driver e o cátodo, mas é claro que usar um filtro de entrada PI é uma solução melhor e certamente melhorará a qualidade do sinal de saída. O C7 pode ter até 10 nF e deve ser de boa qualidade. Para L1, oh, tente cinco voltas de fio de cobre com 1,2 mm de diâmetro (15 mm de diâmetro interno e 15 mm de comprimento). Seis voltas funcionaram bem com um único tubo, então use tentativa e erro. C5 e C6 são capacitores de trimmer capazes de suportar 50W de potência motriz.
O circuito do meu amplificador é mostrado na Figura 1. Vamos começar com o circuito de entrada, embora você possa fazer quase o mesmo sem ele. Eu medi o SWR 1: 1.3 com apenas C7 entre o driver e o cátodo, mas é claro que usar um filtro de entrada PI é uma solução melhor e certamente melhorará a qualidade do sinal de saída. O C7 pode ter até 10 nF e deve ser de boa qualidade. Para L1, oh, tente cinco voltas de fio de cobre com 1,2 mm de diâmetro (15 mm de diâmetro interno e 15 mm de comprimento). Seis voltas funcionaram bem com um único tubo, então use tentativa e erro. C5 e C6 são capacitores de trimmer capazes de suportar 50W de potência motriz.
O relé 1 é simples e pequeno (28 x 25 x 10 mm!), É um tipo DPDT com contatos para 8 A DC. Um polo é usado para alternar a entrada do amplificador e o outro curto o diodo zener de 56V na transmissão. Com este zener "ON", o amplificador está sujeito a um viés de corte e silencioso. D1-D2-D3 (e mais, se necessário) foram usados para produzir a tensão de polarização correta para diferentes tensões de placa. A tensão da placa também pode variar significativamente com a rede elétrica (pense em trabalho portátil ...), portanto, a troca de S1 ajuda a ajustar a corrente da placa inativa para cerca de 80 mA para os dois tubos. Você pode começar com 3.3V para D1, 3.9V para D2, etc, e colocar quantos quiser.
C8, C9 e C10 são capacitores de cerâmica padrão, 400V DC. O RFC2 é uma bobina bifilar em uma haste de ferrite com 10 mm de diâmetro e 10 cm de comprimento.
Agora vamos considerar um pouco o lado da placa. C1 pode ser qualquer capacitor de alta tensão, mas um tipo de passagem é mais conveniente. O RFC1, pode ser uma bobina de 60 voltas de fio esmaltado enrolada em um bastão de baquelite, plástico ou outro material isolante com 1,5cm de diâmetro com 10cm de comprimento. C2 é uma escolha séria - um tipo de dorknoob é uma obrigação. Eu acredito que 1 nF ou um valor semelhante funcionará igualmente bem neste local.
Eu escolhi um filtro PI-L em vez de um PI convencional. Não sou muito gênio, mas lembrei-me de que no Manual ARRL de 1987 havia um amplificador 3CX800 descrito que tinha uma tensão de placa semelhante a esta. Peguei as dimensões do artigo e elas funcionaram. O capacitor C3 da placa deve ter uma capacitância mínima baixa, cerca de 4 pF. Se você não tem nada `` normal '', tente encontrar um capacitor de transmissão de 25 a 30 pF com um espaço mínimo de 1,5 mm entre as placas. Remova as placas até atingir a meta.
Neste caso particular, foram utilizados dois discos de cobre de 1,5 mm de diâmetro e 60 mm.
O capacitor de carga C4 pode ser de qualquer tipo, pois não é particularmente exigente. Na realidade, usei uma maçaneta de 100 pF e uma variável de 80 pF (meia malha em ressonância) para economizar espaço no compartimento da placa. C3 e C4 devem ter um ponto de referência comum. Os detalhes para L2 e L3 podem ser encontrados na Figura 1.
Construção
O relé 2 é do mesmo tipo que o relé 1, mas SPDT com contatos de 16 A DC. Os pontos "X" na entrada e na saída devem ser conectados juntos para estabelecer o caminho de recebimento. Os conectores `IN 'e` ANT' são padrão SO239, Usei a trança RG58 achatada para fazer a conexão entre os tubos e o C2. Um grampo feito à mão (tira de cobre de 10 mm) ao redor do radiador do tubo o prende firmemente ao tubo. As chaminés G3MY para o GI7b funcionam muito bem. Uma ventoinha de computador padrão de 120x120 mm produz ar suficiente para resfriar os tubos, parte dos quais deve fluir para o compartimento do cátodo para evitar o superaquecimento dos tubos. Os catodos ficam realmente quentes, mesmo em stand-by, se não forem resfriados adequadamente.
Apenas duas peças de chapa de alumínio de 2 mm foram usadas para separar a entrada da saída e dos compartimentos RF e DC.
Os tubos devem ser aquecidos por cerca de três minutos antes do ajuste ou operação. O ajuste final foi rápido e fácil. Começando com 8 W de inversor, deu 200 W na saída pela primeira vez. Aumentar a unidade em 35W resultou em uma saída de 700 W. Pronto!. O amplificador completo.
O gabinete do amplificador mede 400 x 280 x 170 mm. A tensão da placa é de 2.000V sem carga.
Comentários
Este amplificador é realmente a segunda versão. O primeiro tinha 3.000V nas placas e fornecia 1.000W de potência de saída. Esses eram os valores máximos, apenas para fins de teste - os fatores limitantes eram o relé de saída e o sistema de refrigeração. Eu não mexeria em relés pequenos se você estiver falando de uma saída em kW, um relé coaxial ou a vácuo decente seria uma escolha muito melhor. Além disso, nesse nível de potência, um ventilador de computador não parece bom o suficiente, um ventilador radial é obrigatório; mas qualquer que seja o soprador ou ventilador, use chaminés e faça todo o ar sair pelos radiadores do tubo.
********************************************************************************************************************************


























Nenhum comentário:
Postar um comentário