Lista de material
Resistências
- R1 = 4,7KΩ 1/2W
- R2, R6, R22 = 10KΩ
- R3 = 470Ω
- R4 = 100Ω
- R5 = 1,5KΩ
- R7, R8 = 22KΩ
- R9 = 2,2KΩ
- R10, R17 = 1MΩ 1%
- R11 = 39KΩ 1%
- R12, R14, R18 = 1KΩ
- R13 = 0,1Ω 2,5W bobinada
- R15, R24 = 10KΩ 1%
- R16 = 25KΩ 1% (10K + 15K)
- R19 = 4,3KΩ 1%
- R20 = 5,6KΩ 1%
- R21 = 4,7KΩ
- R23 = 15KΩ 1%
Condensadores
- C1 = 22µF 63V
- C2 = 2,500+2,500µF 63V
- C3 = 47µF 100V poliester
- C4, C7 = 100nF 100V poliester
- C5 = 3,3µF 40V
- C6 = 4,7nF 63V mylar ou poliester
Semicondutores
- IC1 = LM324
- TR1 = BC182
- TR2 = HPWR 6501
- D1, D2 = 1N4001
- D3 = 1N4148
- DZ1 = Díodo zener de 40V, 500mW (ou dois de 20V em série)
- DZ2 = Díodo zener de 15V, 500mW
- DZ3 = Díodo zener de 5.6V, 500mW
- DL1 = LED vermelho de baixo consumo
Diversos
- P1, P2 = 10KΩ, lineares, com botões de comando
- S1 = Interruptor de alavanca
- T1 = Transformador toroidal 240V/2x30V, 120VA
- ME1, ME2 = lnstrumento de bobine móvel, 1mA, 65Ω
- F1 = Fusível de 1A com porta-fusível
- F2 = Fusível de 3A com porta
O mais importante para um circuito de controle é algum tipo de referência, a qual se utiliza para ajustar a tensão de saída, pelo que deve ser estável e livre de ruído se se pretender que a saída da fonte seja limpa.
Na figura 1a mostra-se a secção da fonte de referência do circuito, cujo componente principal é o diodo zener DZ3. Adoptou-se um de 5,6V porque é o que tem menos varaiação com a temperatura (menor coeficiente de temperatura). Acima e abaixo desta tensão de zener, a estabilidade não é tão boa.
Para obter o melhor comportamento dum diodo zener, o mais conveniente é alimentá-lo com uma corrente constante. Isto consegue-se de modo muito simples com o IC1D e com as resistências associadas.
Abaixo da tensão de avalanche, existe uma tensão baixa nos terminais de DZ3, pelo que o diodo não conduz e actua como uma resistência de valor muito elevado. A resistência R18, o diodo zener DZ3 e R19 e R20 formam dois divisores de tensão alimentados pela saída de IC1D.
Com tensões baixas, com DZ3 bloqueado, à entrada não inversora (+) fica aplicada a maior parte da tensão de saída de IC1D. Como consequência, a realimentação positiva criada deste modo faz com que a saída de IC1D aumente.
Num determinado momento, a tensão nos terminais de DZ3 chega a 5,6V e o diodo começa a conduzir. A partir daí, a tensão na entrada não inversora mantém-se fixa nos 5,6V.
A saída de IC1D continua a subir até que a entrada inversora, à qual se aplica a tensão que existe no ponto de união de R19 com R20, também chega a 5,6V. Neste momento o circuito estabiliza-se, com a tensão de saída ajustada pela tensão do diodo zener e a relação estabelecida por (R19 + R20)/R20.
Os valores adoptados no circuito proporcionam uma tensão de 10V na saída de IC10. A corrente que circula por DZ3 está fixada pela saída de 10 V e pela tensão de 5,6V nos terminais do zener, o que pressupõe uma tensão de 4,4V na resistência R18, pelo que circulam por ela, 4mA.
O mais importante de todo este comportamento é que todos estes valores estão determinados pelo diodo DZ3. A entrada e a saída da fonte de alimentação não intervêm em absoluto.
A tensão de referência, estável, de IC1D é aplicada aos
dois potenciómetros de controle P1 e P2. A saída de cada um deles é uma tensão que varia entre O e 10V quando cada potenciómetro se roda no sentido dos ponteiros do relógio.
Comparador de tensão
A tensão de saída de IC1D é utilizada na etapa seguinte do circuito, o comparador de tensão, que se mostra na figura 1b. Uma parte da tensão de saída da fonte é aplicada à entrada não inversora de IC1C através do divisor de tensão formado por R23 e R24.
A outra entrada de IC1C recebe a tensão de referência ajustada pelo cursor do potenciómetro P2. Os valores das resistências R23 e R24. foram seleccionados de modo que, com 25V de saída da fonte de alimentação, a tensão da sua junção seja de 10V.
Sensor de corrente
A resistência R13 da figura 1c está ligada em série com a linha do negativo da fonte de alimentação.
Como toda a corrente de saída circula por esta resistência, produz-se nela uma queda de tensão proporcional à referida corrente. Esta tensão é utilizada por IC1B através de R12 e R14 e é ampliada para produzir uma tensão que varia de 0 a 10V quando a corrente aumenta de 0 a 1,5A.
Com ela é alimentado o instrumento de medida de corrente, que está ligado aos terminais de R15 para dar uma leitura de plena escala 0 a 10V. Também se aplica a um segundo circuito comparador de tensão (IC1A) e compara-se com a tensão do cursor do potenciómetro P1 de ajuste da corrente de saída.
O funcionamento deste circuito é o mesmo para a corrente que o da figura 16 para a tensão. A sua saída aplica-se ao circuito de controle da saída, através do diodo D3 e da resistência R8, assim como o LED indicador de limite de corrente DL1.
Sempre que a corrente de saída tenta superar o valor ajustado com P1, a saída de IC1A aumenta, o diodo DL1 ilumina-se e o circuito de controle de saída actua para reduzir a tensão de ponta do transístor TR2 e manter assim a corrente num valor fixo. Variando a posição de P1 de mínimo para máximo, a corrente de saída da fonte de alimentação pode ajustar-se entre 0 e 1,5A.
Controle de saída
O controle de saída da fonte de alimentação corre a cargo do transístor MOSFET de potência TR2, que é excitado por TR1. É do tipo de enriquecimento de canal N, o que significa que a tensão no seu terminal de porta (b) deve ser mais positiva do que a que existe no seu terminal de fonte (f) para que seja condutor.
Para este circuito particular, a tensão mínima necessária para que comece a conduzir é de 3V. Com a saída máxima, a tensão aplicada à porta do transístor TR2 deve poder chegar a 25+9V.
Esta tensão é fornecida, através de R2, pela alimentação regulada obtida dum diodo zener de 40V, proveniente do transformador mediante um circuito duplicador de tensão, necessário porque a tensão de saída rectificada do transformador, disponível nos terminais de C2, é apenas de
30V a plena carga. O transistor de excitação TR1 controla a tensão de porta através de R3.
Quando a base de TR1 se torna positiva, o transístor entra em condução, pelo que a tensão na porta de TR2 se reduz e diminui a tensão de saída.
Os sinais de saída dos circuitos sensores de tensão e de corrente aplicam-se à base de TR1, pelo que este último controla a saída da fonte de alimentação.
O diodo D3 está intercalado no circuito de controle de corrente, pelo que impede qualquer interacção entre este circuito e o circuito de controle de tensão quando a corrente de saída se mantém abaixo do ajuste do limite do circuito.
Quando o circuito está no modo de limite de corrente, D3 conduz e o controle de corrente substitui o controle de tensão. Até aqui, todos os pormenores do circuito foram explicados individualmente.
Na figura 2 mostram-se todas as secções em conjunto, com alguns componentes adicionais (imprescindíveis) tais como, fusíveis, transformador da rede, condensadores de filtro e os diodos zener reguladores de tensão.
A tensão da rede aplicada ao transformador T 1 passa pelo interruptor da alimentação S1 e o fusível de 1A, F1. A maioria dos transformadores estão bobinados com dois secundários iguais, que se podem ligar em série ou em paralelo para dispor de duas tensões diferentes.
Pode usar-se no circuito um transformador com dois secundários de 15V ou de 30V. No primeiro caso, ligam-se em série, e no segundo em paralelo.
A partir do secundário do transformador, a corrente passa pelo fusível de 3A, F2, ponte rectificadora PR1 e condensador de filtro C2. Esta é a corrente de alimentação principal, que passa pelo terminal do dreno (d) de TR2 e, do terminal da fonte (f) deste transístor, para a saída da fonte de alimentação. A alimentação para IC1 é extraída do dreno de TR2 através de R5 e regula-se para 15V por intermédio do diodo zener DZ2.
Do transformador T 1 obtém-se uma tensão de alimentação mais alta tomando uma saída adicional de corrente alternada através do condensador C1, rectificada com os diodos D1 e D2, e adicionada ao positivo da alimentação principal.
O resultado é uma tensão de quase 80 V nos terminais do condensador C3, que se reduz a 40V com a resistência R1 e o diodo zener DZ1. Os diodos zener de 40V nem sempre são fáceis de encontrar, pelo que na placa de circuito impresso se previu a possibilidade de utilizar dois diodos zener de 20 V ligados em série.
Comprovação do funcionamento
Começar a comprovação pela cablagem, para verificar que toda a parte referente à rede está bem isolada, e ligar a fonte. Se não se fundir nenhum fusível, é muito provável que funcione correctamente.
Ajustar o cursor de P1 para metade do seu curso e rodar P2, comprovando que a leitura do voltímetro varie em consonância. Se assim não acontecer, deverão comprovar-se algumas tensões do circuito.
Nos terminais de C2 deverá haver 40V e, nos terminais de C3, 80V. Se estas tensões não forem correctas, comprovar a tensão nos terminais dos diodos zener DZ1 e DZ2, que deverão ser de 40V e 15V, respectivamente.
Se alguma delas for baixa, é provável que se tenham montado invertidos ou que IC1 esteja montado ao contrário (como se trata de circuitos de alimentação normais, será muito simples localizar as anomalias ou erros existentes neles).
A seguir comprova-se a tensão nos terminais do diodo zener DZ3, que deverá ser de 5,6V, e a seguir a tensão da saída de IC1D (terminal 7), que deverá ser de 10V. Se todas estas medidas derem valores correctos e a fonte não funcionar, pode ser que TR1 esteja deficiente.
Comprovar as tensões da base e do colector de TR1. Se a tensão da base for inferior a 0,6V, a do colector deverá ser alta. Não é provável que TR2 esteja deficiente, mas se estiver, o dreno e a porta terão uma tensão alta e na fonte será muito baixa ou nula.
Funcionamento da fonte
Uma vez o controle da tensão funcionando correctamente, ligar uma carga (uma resistência de 100Ω) aos terminais de saída e comprovar que a leitura da corrente contínua aumenta com a tensão. A 25V, para uma resistência de 100Ω deve circular uma corrente de 25mA.
A seguir, reduzir o ajuste do limite de corrente de modo a que a corrente diminua, e
comprovar que a tensão também baixou. O LED indicador do limite de corrente deverá iluminar-se no ponto em que a corrente começa a diminuir. Reduzindo o ajuste da tensão, o circuito voltará a controlar a tensão ao apagar-se o LED.
Ao comprovar um circuito novo ou suspeito, utilizar os controles de limite de corrente e de tensão para impedir que consuma uma potência excessiva no caso de ter algum defeito.
Começar com os controles a zero e aumentá-los gradualmente até alcançar a corrente de trabalho esperada do circuito, se se avançarem um pouco mais e a corrente não aumentar, significa que o circuito alimentado funciona correctamente. Porém, se o fizer acima do nível esperado, é provável que se tenha de procurar uma avaria.
Para recarregar os acumuladores de NiCd, ajustar a tensão para o dobro da tensão
dos acumuladores e a corrente de carga com o controle do limite de corrente. É extremamente importante recordar que se tem de desligar os acumuladores ao terminar o tempo de carga correcto, especialmente se se carregarem a grande velocidade, caso contrário podem danificar-se e até explodir.
Nalgumas circunstâncias, o dissipador de calor pode chegar a aquecer muito. Isto acontece quando se fornecem correntes elevadas a tensões baixas. Neste caso, circula por TR2 uma corrente elevada e produz-se nele a maior parte da queda de tensão.
A 2A e 25V, a potência dissipada em TR2 pode ser de 50W. Basta pensar numa lâmpada de 60W, para se ter uma ideia da dissipação de calor de TR2. Para uma duração moderada deste regime, esta potência pode tolerar-se, mas não é recomendável um uso prolongado.
Quando se usam a corrente e a tensão máximas, produz-se em TR2 uma queda de tensão muito pequena. Para níveis moderados de corrente de saída, a potência dissipada divide-se entre a carga e o transístor de potência, o que gera uma quantidade de calor moderada.
Em geral, se se prevê que a fonte tem de funcionar com correntes elevadas a tensões baixas, deverá utilizar-se um dissipador de calor de maiores dimensões.
************************************************************************************************************************************************
******************************************************************************************************************************************
******************************************************************************************************************************************
ESTABILIZADOR DE TENSÃO NO TRANSISTOR DE CAMPO Um circuito simples de regulação, bem como de estabilização de tensão, é apresentado na foto acima, podendo até mesmo um iniciante em eletrônica montá-lo. Por exemplo, 50 volts são aplicados à entrada e a saída é de 15,7 volts ou outro valor de até 27V. Circuito estabilizador ajustável
******************************************************************************************************************************************
******************************************************************************************************************************************

A literatura diferente descreveu repetidamente vários circuitos estabilizadores para várias fontes de alimentação. Neste artigo, o autor fornece uma descrição de um regulador de tensão analógico para uma fonte de alimentação de alta potência. No circuito regulador de tensão, os parâmetros foram significativamente melhorados com o uso de um poderoso transistor de efeito de campo de comutação como elemento de potência.
Basicamente, ao construir estabilizadores de tensão de alta corrente, os rádios amadores costumam usar microcircuitos especializados da série 142 e similares, "reforçados" com um ou mais transistores bipolares conectados em paralelo. Se para esses propósitos um transistor de efeito de campo de comutação potente for usado, então será possível montar um estabilizador de alta corrente mais simples.
Ele usa um poderoso transistor de efeito de campo IRLR2905 como um transistor de potência. Embora seja projetado para operar no modo de chave (comutação), neste estabilizador ele é usado no modo linear. O transistor no estado aberto tem uma resistência de canal muito baixa (0,027 Ohm), fornece uma corrente de até 30A a uma temperatura de caixa de até 100 ° C, tem uma inclinação alta e requer apenas 2,5 ... 3 V para controlar a tensão da porta [1]. A potência dissipada pelo transistor pode chegar a 110 watts. O transistor de efeito de campo é controlado por um microcircuito regulador de tensão em paralelo KR142EN19 (TL431). Seu propósito, dispositivo e parâmetros são descritos em detalhes no artigo [2]. O estabilizador funciona (Fig. 1) da seguinte maneira. Quando o transformador de rede T1 é conectado à rede, uma tensão alternada de cerca de 13 V (valor efetivo) aparece em seu enrolamento secundário.
Vai para o dreno do potente transistor VT1 e através do resistor R1 para o gate, abrindo o transistor. Parte da tensão de saída através do divisor R2R3 é alimentada para a entrada do microcircuito DA1, fechando o circuito OOS. A tensão na saída do estabilizador aumenta até que a tensão na entrada de controle wu do microcircuito DA1 atinge o limite, cerca de 2,5 V. Nesse momento, o microcircuito se abre, baixando a tensão na porta do poderoso transistor, ou seja, fechando-o parcialmente e o dispositivo entra no modo de estabilização. O capacitor C3 acelera a saída do estabilizador para o modo de operação. O valor da tensão de saída pode ser definido na faixa de 2,5 a 30 V selecionando o resistor R2, seu valor pode variar dentro de limites amplos. Os condensadores C1, C2 e C4 garantem um funcionamento estável do estabilizador.
Para a versão descrita do estabilizador, a queda de tensão mínima através do poderoso transistor regulador VT1 é 2,5 ... 3 V, embora este transistor possa operar potencialmente em uma tensão de dreno-fonte próxima a zero. Essa desvantagem se deve ao fato de que a tensão de controle para a porta vem do circuito de drenagem, portanto, com uma queda de tensão menor através dele, o transistor não abrirá, porque a porta do transistor aberto deve ter uma tensão positiva em relação a a fonte.
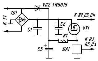
Para reduzir a queda de tensão no transistor regulador, é aconselhável fornecer seu circuito de gate de um retificador separado com uma tensão de 5 ... 7 V a mais do que a tensão de saída do estabilizador. Se não for possível fazer um retificador adicional, um diodo e um capacitor adicionais podem ser introduzidos no dispositivo (Fig. 2). O efeito de um refinamento tão simples pode ser grande. O fato é que a tensão fornecida ao dreno do transistor é pulsante, possui um componente variável significativo, que aumenta com o aumento do consumo de corrente. Graças ao diodo VD2 e ao capacitor C5, a tensão da porta será aproximadamente igual ao valor de pico da pulsante, ou seja, pode ser vários volts a mais do que a média ou o mínimo. Portanto, o estabilizador acaba sendo eficiente em uma tensão dreno-fonte média mais baixa.
Os melhores resultados podem ser obtidos se o diodo VD2 for conectado a uma ponte retificadora (Fig. 3). Nesse caso, a tensão no capacitor C5 aumentará, já que a queda de tensão no diodo VD2 será menor do que a queda de tensão nos diodos da ponte, especialmente na corrente máxima. Se for necessário ajustar suavemente a tensão de saída, o resistor constante R2 deve ser substituído por um resistor variável ou de compensação. O valor da tensão de saída pode ser determinado pela fórmula: Uout = 2,5 (1 + R2 / R3).
Detalhes
É permitido no dispositivo usar um transistor adequado da lista na folha de referência acima, de preferência destacado em amarelo. Se você usar, por exemplo, IRF840, então o valor mínimo da tensão de controle no gate será 4,5 ... 5V. Capacitores - tântalo de pequeno porte, resistores - MLT, C2-33, P1-4. Diodo VD2 - retificador com baixa queda de tensão (germânio, diodo Schottky). Os parâmetros do transformador, ponte de diodo e capacitor C1 são selecionados com base na tensão e corrente de saída necessárias.
******************************************************************************************************************************************

******************************************************************************************************************************************
******************************************************************************************************************************************
******************************************************************************************************************************************
******************************************************************************************************************************************
******************************************************************************************************************************************





















Nenhum comentário:
Postar um comentário